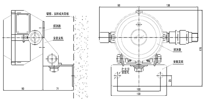
红外火焰探测器
军巡铺品牌红外火焰探测器又称智能点型火焰探测器,它是用于响应火灾的光特性,即探测火焰燃烧的光照强度和火焰的闪烁频率的一种火灾探测器。通过内置的16位微处理器和信号处理算法,更加有效的区分出真实的火焰辐射与干扰源,也极大程度的降低了环境因素对探测器的影响。

红外火焰探测器采用火焰多光谱信号采集方式/全频波分析技术,避免了传统探测器的易受干扰的弱点。具有较高的抗干扰能力,不受风雨、高温、高湿及自然人工光源等影响,可良好工作于室内或室外环境。
◆采用双波段探测技术,实现火灾探测。
◆内置高速、低功耗、高性能数据处理芯片。
◆多级灵敏度使用更多场合。
◆探测视角红外110°,紫外120°。
◆完善的算法提高火灾探测准确率。
◆探测器对于多种燃料产生的火源均可探测。
◆适用于重工业应用场所。
◆防爆设计适用于危险区域工业场所使用。



红外火焰探测器适用于无烟液体和气体火灾、产生明火以及产生爆燃的场所。例如:航天工业、飞机库、飞机修理场、化学工业、公路隧道、弹药和爆炸品仓库、油漆工厂、石油化工企业、天然气勘探生产企业、制药企业、发电站、印刷企业、易燃材料仓库等可燃物含碳物质的其他场合。


1、售前免费进行图纸设计优化
2、售中专人电话指导安装并附接线视频和接线图
3、售后专员上门调试,协助消防验收,验收不通过就退款
4、来电5分钟内响应,省内24小时达到现场,省外48小时到达现场
5、终身维修,质保期一年内出现质量问题,原则只换不修;质保期外只收取材料费和工本费
其他热搜消防水炮产品 / Related Products

- 红外火焰探测器
- 军巡铺品牌红外火焰探测器又称智能点型火焰探测器,它是用于响应火灾的光特性,即探测火焰燃烧的光照强度和火焰的闪烁频率的一种火灾探测器。通过内置的16位微处理器和信号处理算法,更加有效的区分出真实的火焰辐射与干扰源,也极大程度的降低了环境因素对探测器的影
消防水炮相关资讯
联系良大Contact us
电话:0371-67637800
传真:0371-64018858
手机:15638816119
QQ:465076749
邮箱:jxp@junxunpu.com
地址:河南省国家大学科技园-西区Y21栋
厂址:巩义市西村镇永安路176号






